18001559999
首页
三端保险丝
详细信息
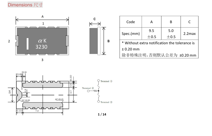
9550 60A 80V 120V三端保险丝
9550 60A 80V 120V三端保险丝
帮我设计
帮我预算
相关信息
下一条:9550 45A 80V 120V三端保险丝
网站首页
关于我们
产品中心
新闻动态
联系我们